電子工程師都知道控制器是電動車的重要部件,甚至相當于整個電動車的“大腦”。而MOS管作為它的控制器核心元器件起至關重要,換句話就是MOS管的好壞直接影響著這個電動車的質量。目前行業內通用的型號大多為SKST065N08N場效應管,但在市場質量參差不齊的情況下,如何選擇一款與SKST065N08N同參數功能的MOS管來進行代用就顯得尤為重要。
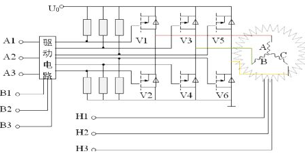
電動車的控制器中的電機是靠MOS的輸出電流來驅動的,因而一個好的MOS管輸出電流越大(為了防止過流燒壞MOS管,控制器有限流保護),電機扭矩就強,加速就有力,SKST065N08N場效應管也就更利于電動車的工作運作。所以作為電動車廠商的電子工程師為了加強電動車的質量,降低產品的售后問題,在選用一個好的場效應管就非常有必要了。目前飛虹生產的型號為:FHP100N08低壓MOS管就可替代型號:SKST065N08N低壓MOS管。
飛虹這款FHP100N08低壓MOS管為N溝道增強型低壓功率場效應管,在使用方面是不僅能匹配型號為SKST065N08N場效應管,還能代用型號為:STP75NF75、HY3008、HY3208、STP140NF75這四款型號場效應管。
FHP100N08場效應管廣泛適用于AC-DC開關電源,SKST065N08N場效應管 DC-DC電源轉換器,低壓H橋PMW馬達驅動等。FHP100N08的主要封裝形式是TO-220/TO-220F/TO-262/TO-263,腳位排列位GDS。這款產品最主要的特點就是8.0A, 600V, RDS(on) = 1.2Ω(max) @VGS = 10 V低電荷、低反向傳輸電容開關速度快。
廣州飛虹電子通過不斷的研發新品,逐漸把MOS管產品的使用范圍拓展到更多電子領域,希望為電子產品的生產廠家提供強有力的元器件保障。掌握達國際技術的核心,為國內廠家免除國際競爭的后顧之憂。除提供免費試樣外,更可根據客戶需求進行量身定制MOS管產品。直接百度輸入“飛虹MOS管廠家”即可找到我們!
免費試樣熱線:400-831-6077。
熱門標簽:SKST065N08N場效應管
返回頂部
400-831-6077
在線留言