【FHA40T65A產品類型】
溝槽柵場截止型IGBT
Trench-FS IGBT
【FHA40T65A產品描述】
FHA40T65A是一款場N溝道溝槽柵截止型IGBT,使用Trench Field stop Ⅱ technology 和通過優化工藝,來獲得極低的 VCEsat 飽和壓降,并在導通損耗和關斷損耗(Eoff)之間做出來良好的權衡。出色的導通壓降與極短的拖尾電流為客戶在優化系統效率時提供有力的幫助,此外FHA40T65A具備良好的短路特性,為電機驅動領域處理突發事件提供充足的裕量。廣泛適用于高頻車載正玄波AC220V逆變器、光伏逆變器、戶外儲能電源、UPS、變頻器、電焊機和工業縫紉機等各類硬開關。
其他IGBT管品牌替代型號:仙童FGH40N60SFD
【FHA40T65A產品特點】
高可靠性,擁有反向并行的快恢復二極管,Trench Field Stop Ⅱ technology(拖尾電流非常短,出色的Vcesat飽和壓降,關斷損耗低),擁有正溫度系數。
【FHA40T65A產品參數】
|
Part Number |
Polarity
極性 |
Package(*)
封裝形式 |
VCEsat典型值
|
IC(A) (Tc=100℃) |
Bvces(V) |
IF(A) |
|
|
(Tc=25℃) |
(Tc=100℃) |
||||||
|
40T65A |
N |
TO-3PN |
1.51V,<1.85V |
40 |
650 |
40 |
20 |
【FHA40T65A應用舉例】
1、FHA40T65應用于高頻車載AC220V逆變器
1.5KW機型:使用4只FHA40T65A在逆變器的全橋拓撲結構上
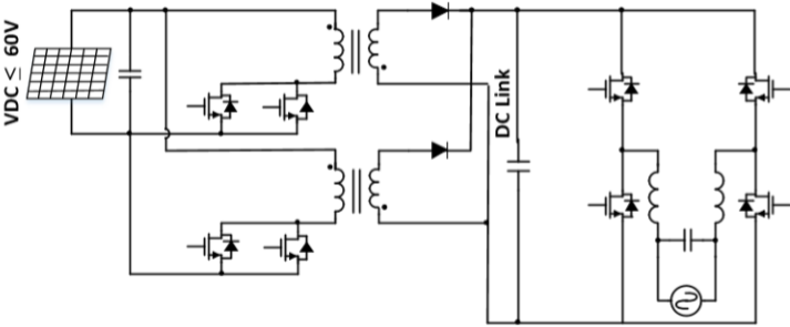
2、FHA40T65應用于光伏逆變器,也叫太陽能逆變器
微型逆變器:3KW機型使用8只FHA40T65A在全橋拓撲結構上
單相組串式光伏逆變器:前級升壓(Single Boost)

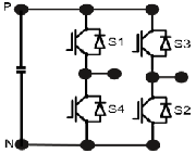
單相組串式光伏逆變器:后極逆變(Two-level)
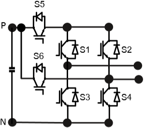
單相組串式光伏逆變器:后極逆變(Heric)
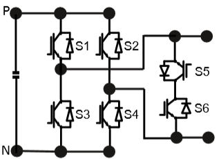
單相組串式光伏逆變器:后極逆變(H6)
3、FHA40T65應用于電機驅動
家電類的三相電機驅動電路圖與上面的三相全橋拓撲結構相同
4、FHA40T65應用于電焊機
4個IGBT為一個全橋,根據功率需求有的方案會進行并聯加大功率適應,數量以2的倍數起
返回頂部
400-831-6077
在線留言