行業通用名:FHA24N50A、KNH7650A、TSA24N50MR、FDA24N50、FDA24N50F
瀏覽量:17134
產品類型:高壓MOS管
產品描述:飛虹FHA24N50W,plane VDMOSFET,采用平面工藝芯片,擁有高抗沖擊能力,適用于各類開關電源,可用在1500W額定功率逆變器全橋電路結構上,最大可支持到2000W功率,完全足夠適用在1500W額定功率的逆變器上,可完全替代飛虹原有的FHA24N50B和ON的FDA24N50/FDA24N50F型號。
添加時間:2017-05-23 10:50:41
400-831-6077
【FHA24N50C產品描述】
飛虹FHA24N50W,plane VDMOSFET,采用平面工藝芯片,擁有高抗沖擊能力,適用于各類開關電源,可用在1500W額定功率逆變器全橋電路結構上,最大可支持到2000W功率,完全足夠適用在1500W額定功率的逆變器上,可完全替代飛虹原有的FHA24N50B和ON的FDA24N50/FDA24N50F型號。
【FHA24N50C產品特點】
FHA24N50W,100%EAS測試,100%Rg測試,100%DVDS熱阻測試,低反向傳輸電容
【FHA24N50C產品參數】
|
Model |
Polarity |
Package |
Vgs(±V) |
VTH(V) |
ID(A) |
BVdss(V) |
Rdson[Ω] |
|
型號 |
極性 |
封裝形式 |
typ - max |
||||
|
24N50W |
N |
TO-3PN/247 |
25 |
2-4 |
24 |
500 |
0.17 - 0.2 |
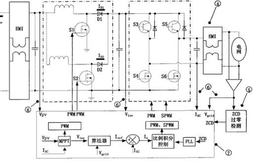
【FHA24N50C應用舉例】
熱門標簽:FHA24N50W參數24N50C規格書
返回頂部
400-831-6077
在線留言